注意:访问本站需要Cookie和JavaScript支持!请设置您的浏览器! 打开购物车 查看留言付款方式联系我们
初中电子 单片机教材一 单片机教材二
搜索上次看见的商品或文章:
商品名、介绍 文章名、内容
首页 电子入门 学单片机 免费资源 下载中心 商品列表 象棋在线 在线绘图 加盟五一 加入收藏 设为首页
本站推荐:
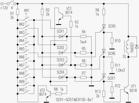
带自锁功能的简易密码锁
文章长度[1139] 加入时间[2006/7/1] 更新时间[2025/10/6 3:39:55] 级别[3] [评论] [收藏]


2003年,第7期,类别:电子制作


    本密码锁的特点是,如果按错了密码键顺序或按下了任何一个非密码键,电路即锁定为关断状态,各按键均失效,大大增加了开锁难度。
    电路见图。可控硅SCR5、SCR6、SCR7为该密码锁的主控元件。当按照正确顺序按下三位密码键(本例为AN2、AN5、AN7)时,可控硅SCR2、SCR3、SCR4依次导通,从而触发可控硅SCR5、SCR6、SCR7依次导通,VT1饱和导通,电磁铁DL动作,实现开锁。与此同时,AN7键按下后SCR4导通,进而VT2饱和导通,使各按键在开锁后不再起作用。若按错密码键顺序,不但不能开锁,还会使电路处于关断状态,图中R3、VT3的作用是否决定按键顺序AN5、AN2、AN7的可开锁性。如先按AN5,则SCR3导通,VT3基极有了偏置电流,再按下AN2,则VT3饱和导通,使SCR2无触发电压而不能导通,因而不能开锁。先按AN7也不能开锁已如上述。本密码锁的按键顺序只能是AN2、AN5、AN7。当按下任何一个非密码键时,SCR1导通,使VT2饱和导通,各按键失效,电路锁定为关断状态。这时必须断开开关K再合上,电路才复位。

                                                                         广西  甘印源



1、 本站不保证以上观点正确,就算是本站原创作品,本站也不保证内容正确。
2、如果您拥有本文版权,并且不想在本站转载,请书面通知本站立即删除并且向您公开道歉! 以上可能是本站收集或者转载的文章,本站可能没有文章中的元件或产品,如果您需要类似的商品请 点这里查看商品列表!
本站协议 | 版权信息 |  关于我们 |  本站地图 |  营业执照 |  发票说明 |  付款方式 |  联系方式
深圳市宝安区西乡五壹电子商行——粤ICP备16073394号-1;地址:深圳西乡河西四坊183号;邮编:518102
E-mail:51dz$163.com($改为@);Tel:(0755)27947428
工作时间:9:30-12:00和13:30-17:30和18:30-20:30,无人接听时可以再打手机13537585389