注意:访问本站需要Cookie和JavaScript支持!请设置您的浏览器! • 打开购物车 • 查看留言 • 付款方式 • 联系我们 |
![]() |
首页 | 电子入门 | 学单片机 | 免费资源 | 下载中心 | 商品列表 | 象棋在线 | 在线绘图 | 加盟五一 | 加入收藏 | 设为首页 |
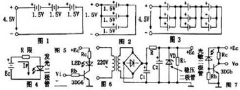
选择分类:当前分类——电子入门 相关联或者相类似的文章: 万用表(898) 交流毫伏表及其应用(895) 集成电路的检测方法(892) 什么是逆变?为什么要逆变?(892) 什么是反馈?(888) CMOS-晶体三极管VT的接口(886) 电视机型号代码识别(878) 万用表的使用注意事项(873) (871) 漏电保护器的安装与使用(870) 音箱选购基础知识问与答(870) [转帖]数字万用表自测电池电压法(866) 电子元器件使用须知——连载(864) 浅谈环绕立体声(855) 双稳态电路详细讲解(851) 三极管——认识及判别(843) 有关点阵的原理及接线图(843) 谈磁卡的损坏(842) 半导体存储器(841) 负载传感器的制作与应用(840) 首页 前页 后页 尾页 本站推荐: | 电子元器件使用须知——连载 电子元器件使用须知(一) 电子爱好者在进行电子活动中,要和各种电子元器件打交道,很多“貌不惊人”的小问题被初学者忽略,本文章是笔者对多年电子实践经验的活动。 1.电阻 电阻的并联、串联用处很多,特别是在应急情况下,用几个并联(串联电阻)来代替原先的电阻使用。但在使用中往往忘记考虑电阻消耗功率问题。例如:用一只5.14kΩ(1W)和一只5.1kΩ(0.5W)电阻并联后,共等效电阻约为10 kΩ,原来的电阻是10 kΩ/1W。使用时间一长,5.4kΩ/0.5W的电阻就会发烫、冒烟甚至烧毁。原因就在于5.1kΩ(0.5W)电阻标出的功率小于实际消耗功率。所在地不要以为只要等效电阻值对了就能替换,而不考虑功率。 2.电池 在小电子制作中,常使用于干电池串联作代电电源,如图1所示。将三节干电池正负极依次相连,串联后的总电压为各个电池电压之和。这里要注意的是,若更换电池组,应将三节电池全部更换,不能只换其中一节或两节,否则新电池会向旧电池充电,电池容量损耗更快。 图2是电池并联接法,将各电池正、负级相连,并联后的总电压即为各个电池的电压。电池并联后的目的是供给电路的电流可以增大。笔者曾将旧电池9节(如图3接法)用到随身听机器上,还可维持3~4天收听。 ![]() 3.二极管 很多初学者喜欢用万用表欧姆档来检测二极管的好坏。但有些二极管用该方法却不能奏效,例如发光二极管。除了应在两端诱因加正向电压外,还应考虑发光二极管的压降约为1.8V,所以不能使用R×1k以下各欧姆档(该档以下表内电池为9V或1.5V),即必须使其两端正向电压大于管压降。另外,发光二极管必须流过一定的电压,电流越大发光强度亦越大,但是一旦超过管子最大工作电流必然烧坏该管,所以必须加限流电流,如图4所示(Ec-Vc)/IF,其中Ec为电池电压,Vc为管压降,IF为管子工作电流,一般IF取10mA。例如:Ec=6V,Vc=1.8V,IF=10mA,则R限取470Ω。 大多数二极管如整流二极管、开关二极管、发光二极管等都是工作在正向导通状态下,例如图5所示晶体管V驱动发光二极管LED电路,LED的正极接高电位,负极接低电位,这就是二极管接法。但要注意的是有些二极管如稳压二极管、光敏二极管却是工作在反向击穿或反向导通状态。图6是硅稳压二极管组成并联式直流稳压电源,图7是当敏二极管构成的光信号接收放大电路,请注意它们在电路中的接法,其正极接低电位,负极接高电位,与图5中LED接法正相反。 1、 本站不保证以上观点正确,就算是本站原创作品,本站也不保证内容正确。 2、如果您拥有本文版权,并且不想在本站转载,请书面通知本站立即删除并且向您公开道歉! |
本站协议 |
版权信息 |
关于我们 |
本站地图 |
营业执照 |
发票说明 |
付款方式 |
联系方式
深圳市宝安区西乡五壹电子商行——粤ICP备16073394号-1;地址:深圳西乡河西四坊183号;邮编:518102 E-mail:51dz$163.com($改为@);Tel:(0755)27947428 工作时间:9:30-12:00和13:30-17:30和18:30-20:30,无人接听时可以再打手机13537585389 |