注意:访问本站需要Cookie和JavaScript支持!请设置您的浏览器! • 打开购物车 • 查看留言 • 付款方式 • 联系我们 |
![]() |
首页 | 电子入门 | 学单片机 | 免费资源 | 下载中心 | 商品列表 | 象棋在线 | 在线绘图 | 加盟五一 | 加入收藏 | 设为首页 |
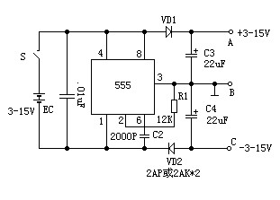
选择分类:当前分类——小说笑话 相关联或者相类似的文章: 多媒体课件在实验教学中的作用(702) 可怜的新郎:((702) 电子技术自立学习法(702) 是雇主不仁还是员工不义(702) 毕业生提高应聘成功率三招(701) 关于赶尸(701) 电感的实验(701) 逻辑门电路功能、识图和种类 (700) 科学家分析38.5亿年前地球上就(697) 谈师德的时代要求(697) 电子除皱器(696) 罪犯笑话(695) 防止骗样,要警剔几种情况(695) 求职深圳:自信的你还要有分寸(695) 是据说这是真人真事(693) 是多维世界还是时空扭曲(693) 电感的知识(玩笑) (692) 猫起名(691) 单电源变双电源电(691) 如何让无线话筒有好的效果(689) 首页 前页 后页 尾页 本站推荐: | 单电源变双电源电 ++ 单电源变双电源电路 ++ 附图电路中,时基电路555接成无稳态电路,3脚输出频率为20KHz、占空比为1:1的方波。3脚为高电平时,C4被充电;低电平时,C3被充电。由于VD1、VD2的存在,C3、C4在电路中只充电不放电,充电最大值为EC,将B端接地,在A、C两端就得到+/-EC的双电源。本电路输出电流超过50mA。 ![]() 1、 本站不保证以上观点正确,就算是本站原创作品,本站也不保证内容正确。 2、如果您拥有本文版权,并且不想在本站转载,请书面通知本站立即删除并且向您公开道歉! |
本站协议 |
版权信息 |
关于我们 |
本站地图 |
营业执照 |
发票说明 |
付款方式 |
联系方式
深圳市宝安区西乡五壹电子商行——粤ICP备16073394号-1;地址:深圳西乡河西四坊183号;邮编:518102 E-mail:51dz$163.com($改为@);Tel:(0755)27947428 工作时间:9:30-12:00和13:30-17:30和18:30-20:30,无人接听时可以再打手机13537585389 |