HR31 湿度传感器 温湿度计专用湿敏电阻
湿敏电阻器是一种对环境温度敏感的元件,它的电阻值能随着环境的相对温度变化而变化。 湿敏电阻器在电路中的文字符号用字母“R”或“RS”表示,图1-28是其电路图形符号。

(一)湿敏电阻器的结构特性及应用 1.湿敏电阻器的结构特性 湿敏电阻器一般由基体、电极和感温层等组成,如图所示。有的湿敏电阻器还设有防尘外壳。
基体采用聚碳酸酯板、氧化铝、电子陶瓷等不吸水、耐高温的材料制成。 感湿层为微孔型结构,具有电解质特性。根据感湿层使用的材料和配方不同,它分为正电阻湿度特性(即湿度增大时,电阻值减小)。
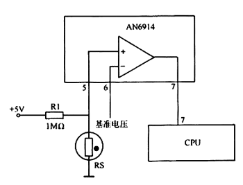
2.湿敏电阻器的应用 湿敏电阻器广泛应用于洗衣机、空调器、录像机、微波炉等家用电器及工业、农业等方面作湿度检测、湿度控制用。 湿敏电阻器的应用电路

3湿敏电阻器的主要参数 湿敏电阻器的主要参数有相对湿度、温度系数、灵敏度、测湿范围、湿滞效应、响应时间等。 1.相对温度 相对湿度是指在某一温度下,空气中所含水蒸气的实际密度与同一温度下饱和密度之比,通常用“RH”表示。例如:20%RH,则表示空气相对湿度为20%。 2.湿度温度系数 湿度温度系数是指在环境湿度恒定时,湿敏电阻器在温度每变化1℃时,其湿度指示的变化量。 3.灵敏度 灵敏度是指湿敏电阻器检测湿度时的分辨率。 4.测湿范围 测湿范围是指湿敏电阻器的湿度测量范围。 5.湿滞效应 湿滞效应是指湿敏电阻器在吸湿和脱湿过程中电气参数表现的滞后现象。 6.响应时间 响应时间是指湿敏电阻器在湿度检测环境快速变化时,其电阻值的变化情况(反应速度)。

HR31型湿度传感器
特点
优良的线性
高性价比
功耗低
测量范围宽
响应迅速
抗污染能力强
性能稳定
HR31湿敏电阻是采用有机高分子材料的一种新型的湿度敏感元件,感湿范围宽,长期使用性能稳定,可以应用于仓储、车厢、居室内空气质量控制、楼宇自控、医疗、工业控制系统及科研领域等广泛的应用。
技术参数
工作范围 |
20…95%RH 0…60℃ |
供电电压 |
1.5V AC(Max 正弦波) |
工作频率 |
500Hz…2kHz |
额定功率 |
0.2mW(Max正弦波) |
中心值 (at25℃1kHz 1V AC 60%RH正弦波) |
31.0kΩ |
阻抗范围(at25℃1kHz 1V AC 60%RH正弦波) |
19.8…50.2kΩ |
湿度检测精度 |
±5%RH |
查看和发表评论 管理员一般会在8-48小时内回复,会删除无意义的留言以及重复留言,请保证留言标题清晰,内容明确! 1、评论不代表本站观点。 另外,即使是本站原创作品,本站也不保证内容绝对正确。 2、如果您拥有本文版权,并且不想在此处发表,请书面通知本站立即删除并且向您公开道歉! |