心形流水灯套件:3组18只LED便会被轮流点亮,同一时刻有2组共12只LED被点亮。这些LED被交叉排列呈一个心形图案,不断的循环闪烁发光,达到动感显示的效果。
心形流水灯套件相关配件:双面玻纤绿油印刷电路板1块,所有元件,元件清单,原理图及相关制作说明。
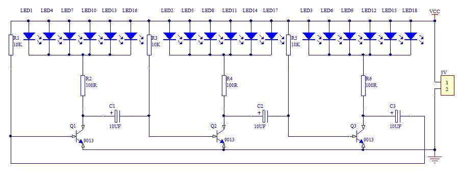
一、目的及要求: 通过对本制作的安装、焊接、测试,了解电子产品的内部构造,训练动手能力,掌握元器件的识别、简易测试以及整机调试工艺。 熟练使用电烙铁、剪钳、万用电表等电子工具。 对照电路原理图,了解工作原理,图上符号,并与实物对照。 认真仔细的安装焊接,排除安装焊接过程中出现的故障。 二、工作原理及原理图
从原理图上可以看出,18只LED被分成3组,每当电源接通时,3只三极管会争先导通,但由于元器件存在差异,只会有1只三极管最先导通,这里假设Q1最先导通,则LED1这一组点亮,由于Q1导通,其集电极电压下降使得电容C2左端下降,接近0V,由于电容两端的电压不能突变,因此Q2的基极也被拉到近似0V,Q2截止,故接在其集电极的LED2这一组熄灭。此时Q2的高电压通过电容C3使Q3集电极电压升高,Q3也将迅速导通,LED3这一组点亮。因此在这段时间里,Q1、Q3的集电极均为低电平,LED1和LED3这两组被点亮,LED2这一组熄灭,但随着电源通过电阻R2对C2的充电,Q2的基极电压逐渐升高,当超过0.7V时,Q2由截至状态变为导通状态,集电极电压下降,LED2这一组点亮。与此同时,Q2的集电极下降的电压通过电容C3使Q3的基极电压也降低,Q3由导通变为截至,其集电极电压升高,LED3这一组熄灭。接下来,电路按照上面叙述的过程循环,3组18只LED便会被轮流点亮,同一时刻有2组共12只LED被点亮。这些LED被交叉排列呈一个心形图案,不断的循环闪烁发光,达到动感显示的效果。供电电压4.5V-5V。
组装好的成品如下图所示:


查看和发表评论 管理员一般会在8-48小时内回复,会删除无意义的留言以及重复留言,请保证留言标题清晰,内容明确! 1、评论不代表本站观点。 另外,即使是本站原创作品,本站也不保证内容绝对正确。 2、如果您拥有本文版权,并且不想在此处发表,请书面通知本站立即删除并且向您公开道歉! |